StudyCluster

지난 포스팅에서는 Thermal Equilibtium 일 때 에너지 밴드 다이어그램을 살펴보았습니다. 그래서 각 층의 schottky Barrier Height가 일정하게 유지되고 Fermi Level이 일정하게 존재한다는 가정 하에 에너지 밴드 다이어그램을 그렸더니 실리콘과 Oxide사이의 계면 부분이 아래로 굽어지는 모습을 관찰했습니다. 

 

 기판 내부 Bulk에서의 정공의 농도를 P0라고 하고 계면에서의 정공의 농도를 Ps라고 하면, Ps가 P0에 비해 줄어드는 상태를 확인했습니다. 이것을 Depletion 이라고 불렀죠.

 

 그렇다면 여기서 Conduction Band와 Valence Band가 아래로 굽는 이유가 무엇일지 생각해봅시다. 굽어지는 원인을 제공한 것은 Metal과 Silicon의 Fermi Level이 따로 떼어놨을 때 Silicon이 더 낮기 때문에 Metal과 Fermi Level을 일직선에 놓으려고 하다보니 위로 올라가죠. 그러다보니 interface가 아래로 굽을 수 밖에 없었던 겁니다. 즉, Si의 Fermi Level에 의해 에너지 밴드의 굽는 정도가 결정된다는 것입니다.

 

 그런데 Si의 Fermi Level은 Si의 Doping 농도에 따라 변할 수 있다고 배웠죠. 이 말은 우리가 Si의 Doping 농도를 조절함으로써 에너지 밴드의 굽는 정도를 조절할 수 있다는 이야기가 됩니다. Depletion 상태일 때부터 다시 하나씩 살펴보겠습니다.

 

Si의 Doping 농도에 따른 에너지 밴드 다이어그램

Depletion

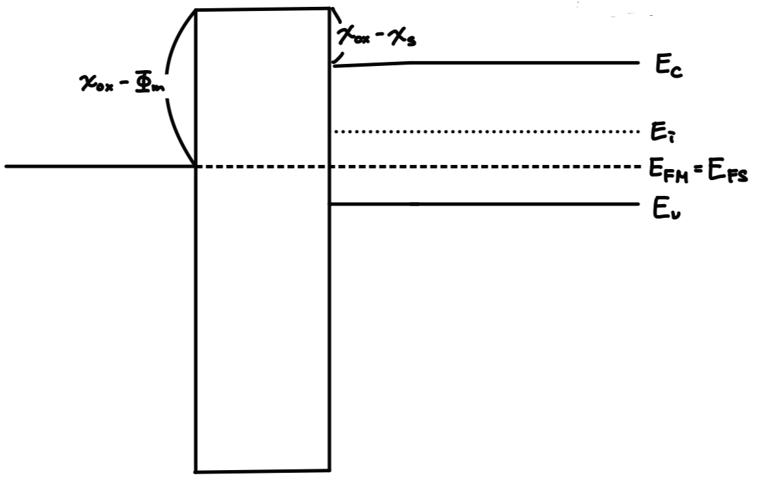
 지난 포스팅에서 Depletion 상태의 에너지 밴드 다이어그램에 대해서 다루었기 때문에 간단하게 설명하고 넘어가겠습니다. Depletion 상태는 Metal의 Fermi Level보다 Silicon의 Fermi level이 낮아서 이 둘을 맞춰주다보니 상대적으로 Silicon의 에너지 밴드가 올라가면서 생기는 현상이었죠. 그래서 Depletion 상태의 에너지 밴드 다이어그램을 그리게 되면 아래의 Fig. 1과 같이 그려지게 됩니다. 

Figure 1. Depletion 상태

Flat Band

 만약 ,Si와 Oxide와 Metal이 서로 떨어져 있는 상태에서도 Fermi Level이 같은 Level에 있었다고 치면 어떤 일이 발생할까요? 접합을 시켰을 때 이미 Metal과 Si의 Fermi Level이 같으니까 굽어지는 것 없이 그냥 달라붙을 겁니다. 이런 상태를 만들기 위해서 우리가 사용하는 Silicon의 Doping 농도를 낮추었다고 생각해봅시다. Silicon은 p type으로 Doping된 상태였고, 거기서 Doping 농도를 낮추었으니 Fermi Level이 올라갈 것입니다. 

 이 때의 에너지 밴드 다이어그램을 그려보면 Fig. 2과 같이 그려질 것입니다. 

Figure 2. Flat Band

 

  이와 같이 Conduction Band와 Valence Band가 일직선으로 놓여있고 계면에서 Band가 굽지 않는 상태를 Flat Band라고 합니다. Flat Band 상태는 Metal과 Silicon의 Fermi Level이 정확하게 일치하는 MOS 구조의 이상적인 상태라고 볼 수 있습니다. 

 

Accumulation

 Si의 Fermi Level이 Flat Band 상태에서보다 더 높아져 Semiconductor의 Fermi Level이 Metal의 Fermi Level보다 높았다면 Depletion 상태와는 반대로 밴드가 위로 굽을 것 입니다. 이런 상태를 만들기 위해선 Flat Band 상태일 때 보다 Silicon의 Doping 농도를 더욱 줄여야 합니다.

 이 때 에너지 밴드 다이어그램을 그려보게 되면 Fig. 3과 같은 그림이 그려지겠죠.

Figure 3. Accumulation

 이런 계면 상태를 이루게 되면 오히려 Silicon의 Fermi level과 Valence Band Edge가 좁아졌기 때문에 계면에서의 정공의 농도($P_s$)가 Bulk에서의 정공의 농도($P_0$)보다 커지게 됩니다. 이런 상태를 Accumulation이라고 부릅니다. 

 

Inversion

 자 다시 Depletion 상태로 돌아와서 이번에는 반대로 Silicon의 Fermi Level이 처음 상태보다 더 낮았다고 생각해봅시다. 그러면 Fermi Level을 일직선 상으로 만드려면 처음에 아래로 굽어진 정도보다 더욱 많이 굽은 밴드가 형성될 것입니다. 이런 상태를 만들기 위해선 Doping을 더 Heavy하게 해주어야겠죠. 이것을 에너지 밴드 다이어그램으로 그리게 되면 Fig. 4처럼 그려지게 됩니다.

Figure 4. Inversion

 이 때 Intrinsic Level을 주목해서 보아야합니다. Fig. 4에서 보면 계면에서 Intrinsic Level이 Si의 Fermi Level보다 밑에 있는 것을 확인할 수 있는데요. 이것은 계면에서 Majority Carrier인 정공의 농도($P_s$)가 더 많이 낮아지며 상대적으로 전자의 농도($n_s$)가 더 많아지는 것을 의미합니다.

 좀 더 자세히 설명하자면, 계면에서의 정공의 농도($P_s$)가  Bulk에서의 전자의 농도($n_i$)보다 작아지는 반면 계면에서의 전자의 농도($n_s$)는 Bulk에서의 전자의 농도($n_i$)보다 큰 상태가 되며 계면에서 전자의 농도($n_s$)가 정공의 농도($P_s$)보다 커지게 됩니다. 즉, 계면이 더이상 p type이 아닌 것을 넘어 n type이 되어버린 상황입니다. 이런 상태를 p type에서 n type으로 뒤집혔다라는 의미로 Inversion 상태라고 합니다.  

 나중에 다시 설명하겠지만 간단하게 언급하고 넘어가자면, Inversion 상태는 Weak Inversion과 Strong Inversion으로 구분할 수가 있습니다. 계면에서 전자의 농도($n_s$)가 정공의 농도($P_s$)보다 커진 직후를 Weak Inversion이라고 하고, 계면에서 전자의 농도($n_s$)가 더욱 커져 Bulk에서의 정공의 농도($P_0$)보다 커지는 상황을 Strong Inversion이라고 한다는 점 기억하고 넘어갑시다.

 

 

 이렇게 4가지의 계면 상태를 살펴보았는데요. 이것의 원인은 Metal - Oxide - Semiconductor를 접합시키지 않았을 때 Metal의 Fermi Level과 Semiconductor의 Fermi Level이 다르다는 것이었죠. 하지만 여기서 Silicon의 Fermi Level은 우리가 Doping 농도를 조절해줄 수 있기 때문에 우리가 인위적으로 Metal의 Fermi Level과 Silicon의 Fermi Level의 차이를 조절한다면 우리가 앞서 살펴본 4가지의 계면상태를 자유자재로 활용할 수 있다는 것을 배웠습니다. 

 

 그럼에도 앞으로 우리는 MOS 구조를 살펴볼 때, Depletion 상태에서부터 살펴볼 것 입니다. 하지만 중요한 점은 이것은 그냥 하나의 가정일 뿐이라는 점입니다. 우리가 Metal - Oxide - Semiconductor를 전합시켰을 때, 계면 상태가 Depletion일수도 Accumulation일수도, Flat Band일수도 Inversion 일수도 있습니다. 이것은 우리가 도핑을 얼마나 하느냐에 따라서 달라지는 것이죠. 이후에 헷갈리지 않게 주의해주세요.

 

 

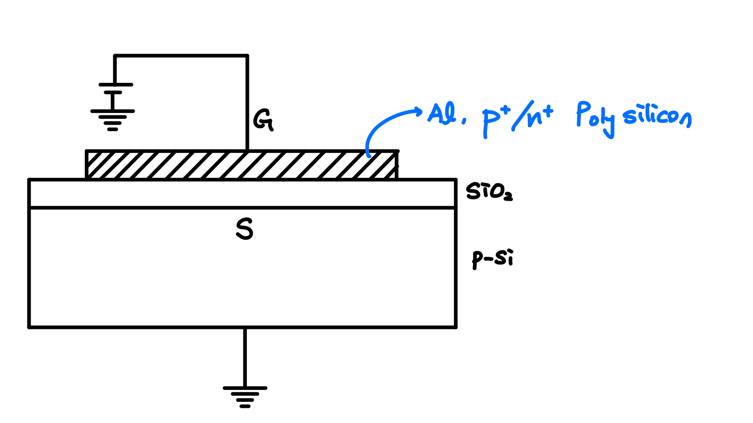
Gate에 가하는 전압에 따른 에너지 밴드 다이어그램

 앞서 배운 것처럼 필요할 때마다 도핑을 통해 Silicon의 Fermi Level을 조절해주기는 쉽지않을 뿐더러 비효율적인 방법입니다. 여기서 우리가 Silicon의 Fermi Level을 조절하기 위해 사용할 수 있는 방법이 또 하나 있는데요. 바로 Metal에 전압을 인가하는 것입니다. Metal에 전압을 인가하여 에너지 밴드를 위로 올렸다 내렸다 해준다면 그것은 도핑을 통해 Silicon의 Fermi Level을 바꾸어주는 것과 동일한 효과를 얻을 수 있을 뿐더러 더욱 효율적이고 쉽게 이용할 수 있는 방법이죠. 이런 방법을 통해 Oxide와 Silicon의 계면 상태를 자유자재로 바꿀 수 있게 된 겁니다. 

 

그렇다면, 전압과 에너지 밴드는 어떤 관계가 있을까요?  다들 이런 식을 한번쯤 보셨을 겁니다.

$$E=qV$$

 하지만 에너지 밴드 다이어그램은 전자 기준이기 때문에 q가 $-1.6 * 10^19$ 입니다. 따라서 걸어준 전압과 에너지는 반대의 부호를 갖는 것을 알 수 있습니다. 즉, Gate에 음의 전압을 걸게되면 Metal의 에너지 밴드가 올라갈 것이고, 양의 전압을 걸면 Metal의 에너지 밴드가 내려갈 것입니다.

 

 자세한 내용으로 들어가기 앞서 용어를 하나 정리하고 넘어가자면, MOS 구조에서 우리가 전압을 가하는 부분을 Gate라고 부릅니다. 아까 전압을 가할 때 어디다 가한다고 했죠? 네. Metal에다가 가했죠. 따라서 MOS 구조에서는 Gate와 Metal은 같은 부분을 지칭하는 말이 됩니다. 단면도를 그려보게 되면 Fig. 5와 같이 그려지게 됩니다.

Figure 5. MOS 단면도

 

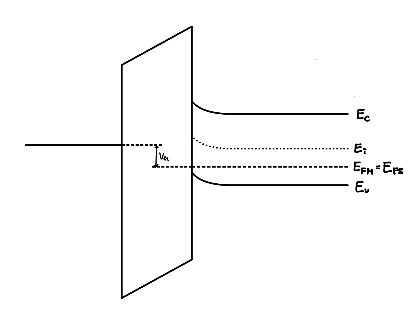
Depletion

 이제 전압에 따라 밴드가 어떻게 변하는지 봅시다. 아까 말씀드렸듯이 초기 조건은 Depletion 상태를 기준으로 한다고 했죠. 따라서 초기 에너지 밴드 다이어그램은 Fig. 6처럼 그려질 것입니다. 

FIgure 6. Depletion

이쯤되면 다들 익숙한 그림이실테니 별도의 부가설명없이 넘어가도록 하겠습니다.

 

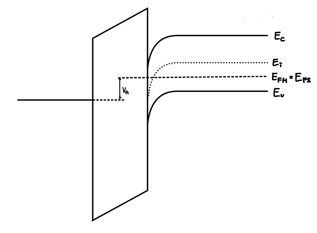
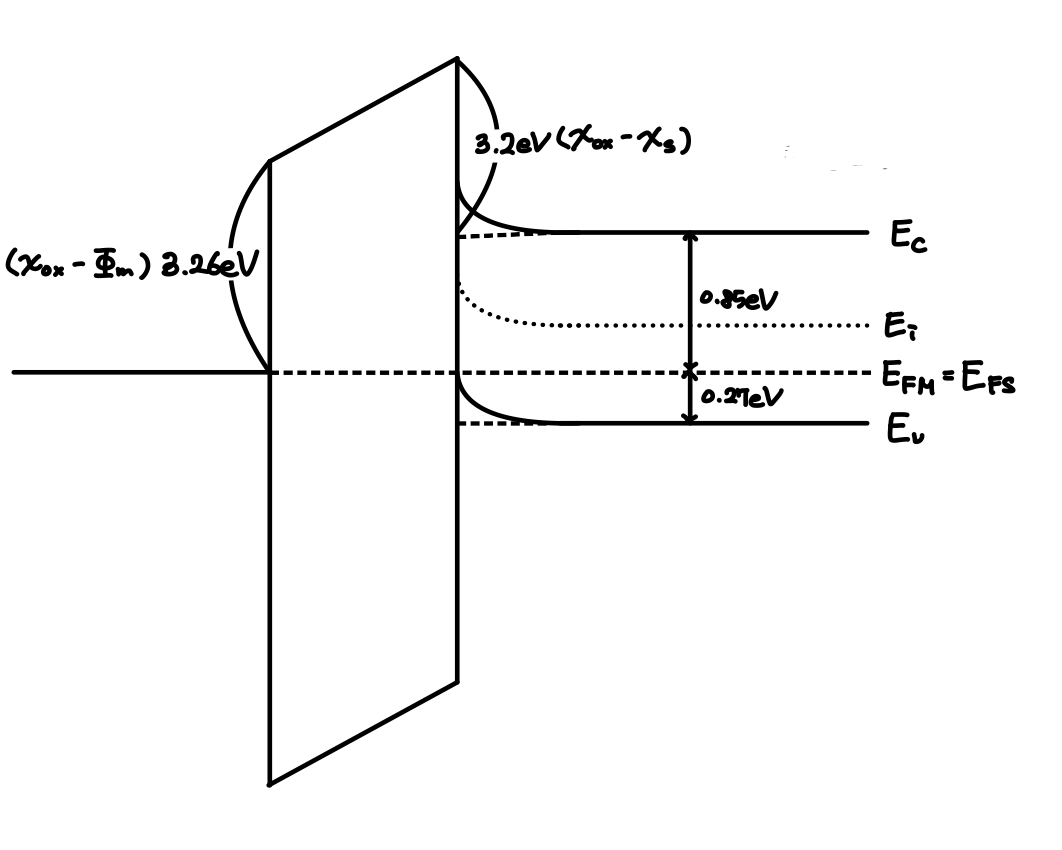
Flat Band

 Depletion 상태에서 게이트에 음의 전압을 인가했다고 합시다. 아까 설명했듯이 음의 전압을 가한다는 것은 Metal의 Energy Band를 끌어올린다는 것을 의미하죠. 이것을 반대로 생각해보면 Silicon의 Fermi Level을 끌고 내려간다는 뜻입니다. 그렇다면 어느정도의 전압을 가해야 Flat Band 상태가 될 수 있을까요? 원래 접합되어 있지 않은 상태에서의 일함수 차이만큼의 전압을 걸어주면 Flat Band 상태가 될 것입니다.

그럼 다음과 같이 에너지 밴드가 그려질 거에요.

위의 그림과 같이 밴드가 완전히 평평하게 펴지면 계면에서 정공의 농도( $P_s$)와 Bulk에서 정공의 농도($P_0$)가 같아지게 됩니다. 

 

Accumulation

 Flat Band 상태에서 우리가 게이트에 Negative 전압을 더 걸었다고 생각해봅시다. 그러면 Silicon의 밴드가 더욱 내려갈 것이고 자연스럽게 밴드가 위로 휘게 될 것입니다. 즉, Accumulation 상태가 되는 것이죠. 에너지 밴드 다이어그램을 그리면 다음과 같이 될 것입니다.

 

 지금까지 한 것을 다시 요약해봅시다. Depletion 상태에서 시작하여 서서히 음의 전압을 크게하면서 가해주었더니 전압이 Metal과 silicon의 일함수의 차이가 될때 Flat Band 상태가 되었죠. 그리고 그 후 전압을 더 크게하며 가했더니 Accumulation 상태가 되는 것을 확인할 수 있었습니다.

 

Inversion

Weak Inversion

 이제 Depletion 상태에서 Gate에 양의 전압을 인가해보도록 하겠습니다. 음의 전압과는 반대로 양의 전압을 걸게 되면 Metal의 에너지 밴드가 내려가게 될 것이고, 이는 상대적으로 Silicon의 에너지 밴드가 올라가는 것과 같은 효과를 가질 것입니다. 그러면 Depletion 상태보다 더욱 더 아래로 밴드가 휘게 되겠죠. 아래로 휘다 보면 Intrinsic Level이 Fermi Level보다 아래로 내려가는 상황이 발생하게 됩니다. 이 상태에서는 계면에서 전자의 농도가 정공의 농도보다 높아지게 되고 심지어는 계면에서 정공의 농도가 Bulk에서 전자의 농도보다 낮아지게 됩니다. 이런 상황을 우리는 Weak Inversion이라고 부릅니다. 에너지 밴드 다이어그램을 그리면 다음과 같습니다.

 

Strong Inversion

 여기서 양의 전압을 더 걸어봅시다. 그러면 밴드가 아래로 더 휘게 되겠죠. 그러다 계면에서의 전자의 농도 $n_s$가 Bulk에서 정공의 농도인 $P_0$ 보다 낮아지는 상황이 생기게 됩니다. 즉 계면에서 전자의 농도가 우리가 처음에 Si에 도핑해주었던 농도보다 더 커지게 되는 것 입니다. 반면 계면에서의 정공의 농도 $P_s$는 Bulk에서의 전자의 농도 $n_0$보다 훨씬 작아져 거의 무시할만한 수준의 농도가 될 것입니다. 이런 상태를 Strong Inversion이라고 부릅니다. 에너지 밴드 다이어그램을 그리면 아래와 같습니다. 

 

다음 포스팅에서는 MOS 계면에 생기는 전기장의 세기에 대해 알아보겠습니다.

 

 

공유하기

facebook twitter kakaoTalk kakaostory naver band
loading