이번 포스팅부터는 MOS 구조를 갖는 반도체 소자에 대해 알아보겠습니다.
먼저 MOS가 무엇인지 알아보아야 겠죠? MOS는 Metal Oxide Semiconductor의 약자입니다.
이름에서 알 수 있듯이 Semiconductor 위에 Gate Oxide가 올라가고 그 위에 Metal Gate가 올라가는 구조를 의미합니다. 같은 말로 MIS(Metal Insulator Semiconductor) 구조라는 말도 사용합니다. 이후에 같이 살펴보겠지만 이런 구조 덕분에 MOSFET이라는 트랜지스터에서 Field Effect를 이용해 전류가 흐름을 조절해 줄 수 있습니다. 지금은 이런게 있구나~ 정도만 알고 넘어갑시다.
이제 MOS 구조를 갖는 반도체 소자인 MOSCAP과 MOSFET을 간략하게 살펴봅시다.
MOSCAP이란 MOS Capacitor의 약자입니다. 즉, MOS 구조를 갖는 Capacitor인데요. 겁먹을 필요 없습니다.
MOS구조만 달랑 존재하게 소자를 만든다면 그것이 Capacitor처럼 행동하기 때문에 MOSCAP이라고 이름이 붙은 것이기 때문에 MOS 구조를 이해했다면 MOSCAP도 어느정도 이해한 것입니다.
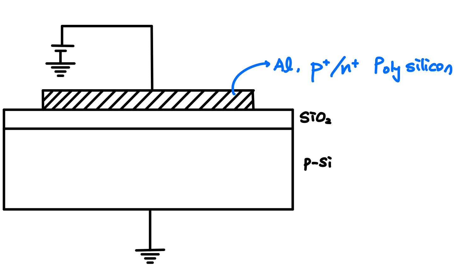
단면도를 그려보면 다음과 같습니다.

그렇다면 위에 그림에선 왜 굳이 Si를 반도체로 사용한 것일까요? 여기서 저희가 이전에 살펴본 바로는 Si, Ge, GaAs, AlAs, GaAlAs 등 굉장히 많은 종류의 Semiconductor가 있었죠. 이것들이 모두 Semiconductor 층에 들어갈 수 있는거죠.
그 위에는 절연체가 올라가야 하죠. 절연체의 경우도 굉장히 많죠 그리고 그 위에 올라가는 Metal Gate의 경우도 Al, Cu 등 굉장히 많은 종류가 있어요.
그 이유는 각각의 회사에서 최적의 재료와 조합을 찾아내서 양산을 하기 때문이겠죠. 이유를 간략하게 살펴보자면, Si의 경우 SiO2라는 양질의 절연막을 손쉽게 만들어낼 수가 있습니다. 또한 Si는 모래의 구성성분이기 때문에 손쉽게 구할 수 있어요. 한가지 더 살펴보자면 Si를 이용하게 되면 Si를 산화시켜 SiO2로 만들기 때문에 Semiconductor와 절연막의 계면에서 defect을 최소화 시킬 수 있어요. 이외에도 이런저런 이유로 위 그림의 구조와 같은 MOS 구조를 사용하게 된 겁니다.
그러면 반대로 Si 대신 GaAs를 Semiconductor로 사용했을 때를 봅시다. GaAs 같은 경우 Si에 비해 전자 Mobility가 10배이상 빨라 스위칭 속도를 10배이상 빠르게 해줄 수 있다는 엄청난 장점이 있죠. 그럼에도 불구하고 GaAs로 MOSFET을 만들지 않는 이유는 절연막과의 계면에서 Defect가 발생하기 때문입니다. 다른 반도체도 마찬가지에요.
그렇다면 MOSFET이란 무엇일까요? 아까 힌트를 드렸습니다. MOS 구조를 갖고 Field Effect를 이용해 작동하는 트랜지스터라고 했죠.
네. MOSFET은 Metal Oxide Semiconductor Field Effect Transistor의 약자입니다. MOSCAP을 세로로 세우고 Semiconductor 양 옆에 Source와 Drain을 추가시킨 형태의 소자를 MOSFET이라고 합니다.
단면도를 그려보면 다음과 같습니다.

제일 아래 실리콘 웨이퍼가 보입니다. 이것을 기판으로 하는데 제가 지금 그린 기판은 p type으로 도핑된 기판입니다. 앞으로 MOSFET에 대해 설명할때는 p type 기판을 사용한 nMOS를 기준으로 설명할 것이기 때문에 이렇게 그렸습니다. 반대로 n type 기판을 쓰게되면 pMOS가 만들어지겠죠.
이제 그 위로 올라가면 Metal Gate가 있고, Source와 Drain이 있죠. 아까 말씀드린대로 이런 형태로 구성된 소자를 MOSFET이라고 합니다.
그런데 이상한 점이 있습니다. 분명 Metal Gate인데 Metal은 없고 n+ poly라는 것이 그 자리에 있네요. n+ poly라는 것은 n type으로 헤비하게 도핑한 polysilicon을 의미합니다. polysilicon에 도핑을 많이해서 n+로 만들게 되면 거의 금속과 비슷한 전기전도도를 갖기 때문에 Metal 대신 n+polysilicon을 쓰는 것이죠. 이것을 보통 n+ polygate라고 부릅니다.
n+ poly 아래를 보면 Oxide가 있네요. 일반적으로 우리는 이것을 Gate Oxide라고 합니다. Gate Oxide는 점점 얇게 만들어 가는 추세에 있는데 그 이유는 나중에 기회가 되면 다루겠습니다.
이렇게 MOSCAP과 MOSFET에 대해 간략하게 알아보았습니다. 이제 MOSCAP부터 하나씩 자세히 알아봅시다.
| [반도체소자] MOS Threshold Voltage (0) | 2021.03.07 |
|---|---|
| [반도체소자] MOS Surface Potential (0) | 2021.03.07 |
| [반도체 소자] MOS 구조의 Electric Field (0) | 2021.03.06 |
| [반도체소자] MOS 계면 상태 (1) | 2021.03.04 |
| [반도체 소자] MOS 구조의 에너지 밴드 다이어그램 (1) | 2021.03.03 |