우리가 지난시간 동안 세번에 걸쳐 MOS 구조의 에너지 밴드 다이어그램을 그려보았습니다. Thermal Equilibrium일 때와 Gate 전압을 인가했을 때의 에너지 밴드 다이어그램을 공부했습니다.
오늘은 Threshhold Voltage에 대해서 알아볼 건데요. 지난 포스팅에서 Threshold Voltage의 정의를 간단하게 보고 갑시다. Threshold Voltage란 Strong Inversion 상태로 만들어주기위해 Gate에 걸어주어야 할 전압을 말합니다. Threshold Voltage로 인해 Strong Inversion 상태가 된 것을 Channel이 생겼다라고도 합니다.

우리는 아직 MOS구조를 배우고 있지만 Channel에 대해 이해하기 위해 MOSFET의 구조를 보고 넘어갑시다. 그림을 보면 Source와 Drain쪽의 Si 기판에는 n+로 Doping이 되어있으며 나머지는 p로 Doping이 되어있기 때문에 Source는 접지시키고 Drain에 양의 전압을 가했을 때 Drain 쪽이 Reverse Bias가 되기 때문에 전류가 흐르지 않습니다.
여기서 Drain에서 Si 기판쪽으로 전류가 흐르지 않게 되면 당연히 Si 기판에서 Source 쪽으로도 흐르지 않을 것입니다. 그러나 Gate에 Threshold Voltage을 걸어주어 Strong Inversion 상태를 만들어주게 되면 Oxide와 Si의 계면에는 Inversion charge인 전자가 형성되는데 전자를 매개체로 Drain에서 Source로 전류가 흐를 수 있게 됩니다.
그래서 Strong Inversion이 된 상태를 마치 Source 와 Drain 사이에 통로가 만들어진 것 같다고 하여 Channel이 만들어졌다고 합니다.
여기서 조심해야할 것이 있습니다. 사실은 Weak Inversion일 때도 계면에 전자가 생기기 시작하면서 n type으로 바뀌게 됩니다. 그래서 실제로는 Weak Inversion 상태에서부터 Channel이 만들어졌다라고 볼 수 있습니다. 그런데 Channel이 만들어졌다의 정의를 Inversion된 전자의 양이 기판의 정공 농도만큼 생겼을 때라고 정의했기 때문에 이제부터는 Strong Inversion 상태만 Channel이 형성되었다고 볼 것입니다.
그렇다면 Threshold Voltage는 정확히 몇 V 일까요? Si 기판의 도핑농도에 따라 달라지겠지만 우리가 Threshold Voltage를 상황에 따라 직접 계산하더라도 정확히 몇 V인지 알 수 있어야 반도체 소자를 더욱 잘 활용할 수 있을 것입니다. 그럼 이제부터 Threshold Voltage를 구하는 수식을 유도해봅시다.
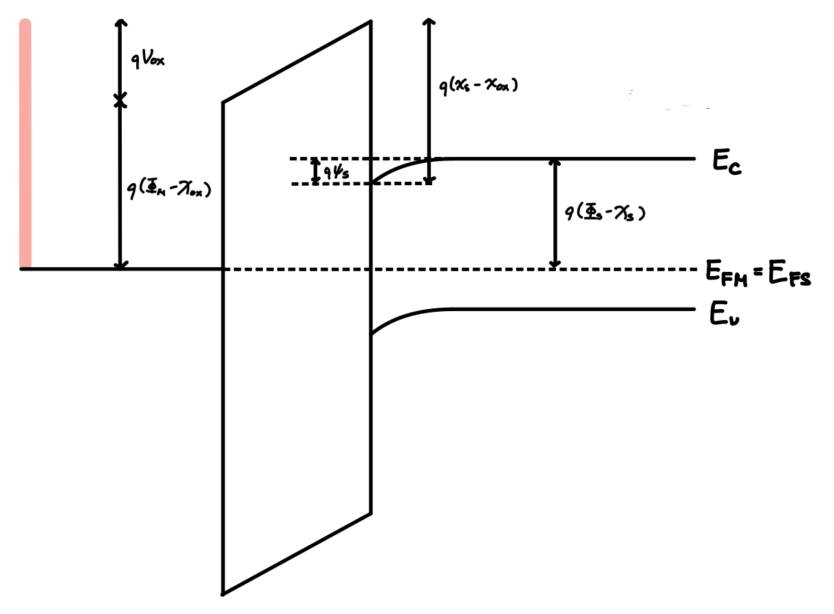
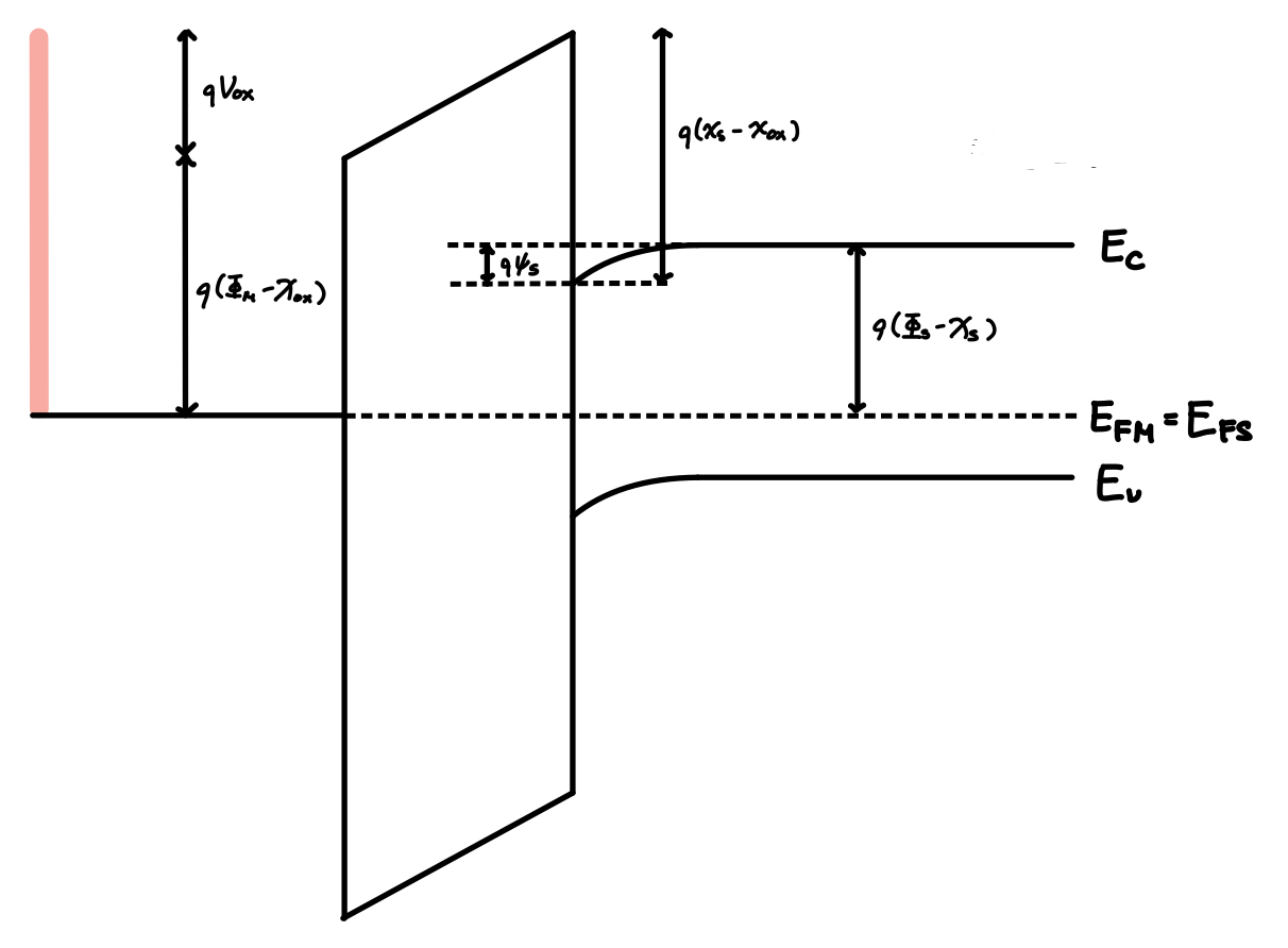
이전에 보았던 그림을 다시 그려보겠습니다. 이 그림을 이용해서 Surface Potential $\Psi_s$와 Threshold Voltage $V_T$의 관계를 알아봅시다.

Threshold Voltage의 정의로 다시 돌아가면 Threshold Voltage란 Strong Inversion이 일어날 때 Gate에 걸어준 전압을 의미합니다. 이 때 Strong Inversion이란 계면에서의 전자의 농도 $n_s$와 Bulk에서의 정공의 농도 $P_0$가 같은 상태를 말합니다. 따라서 이것이 성립하기 위해선 계면에서 Conduction Band Edge와 Fermi Level의 간격과 Bulk에서 Fermi Level과 Valence Band Edge의 간격이 같아야 합니다. 이것을 $\Delta$라고 하겠습니다.
Bulk부분에 표시한 노란 막대를 보면 노란 막대의 높이는 Band Gap의 반이죠. 또한 Band가 아래로 굽는다고 해도 Band Gap은 변하지 않기 때문에 계면에 표시한 노란 막대의 높이도 Band Gap의 절반이 됩니다. 즉 두 노란 막대의 길이가 같다는 것이죠. 따라서 Strong Inversion 상태일 때 계면에서 Fermi Level과 Instrinsic Level의 차이는 $\Phi_B$가 된다는 것을 알 수 있습니다. 이것은 $\Phi(0)$의 값이 $\Phi_B$와 같다는 것을 뜻합니다.
이제 Surface Potential $\Psi_s$를 이용하여 표현해봅시다. Surface Potential $\Psi(x)$는 다음과 같이 정의 되었습니다.
$$ \Psi_s = \Phi0) - \Phi_B $$
이 때 $\Phi_B$는 음수이고 $\Phi(0)$은 양수이기 때문에 Surface Potential $\Psi_s$는 다음과 같은 값을 갖게 됩니다.
$$\Psi_s = 2|\Phi_B| $$
즉 $\Psi_s$가 $2|\Phi_B|$일 때 Strong Inversion이 일어나게 되며 이 때를 Threshold 상태라고 합니다.
이제 Threshold 상태를 만들기 위해 필요한 전압을 표현한 수식을 유도하기 위해 Thermal Equilibrium일 때 MOS 구조의 에너지 밴드 다이어그램을 써봅시다.

위의 그림에서 빨간색 막대의 길이를 이용하여 식을 하나 세울 수 있습니다.
$$ qV_{ox} + q(\Phi_m - \chi_{ox}) = q(\chi_s - \chi_{ox}) - q\Psi_s + q(\Phi_s - \chi_s) $$
좌변에서는 Metal 영역에서 빨간 막대의 높이를 구한 것이고, 우변은 Si 영역에서 빨간 막대의 높이를 구한 것입니다. 이 식을 정리하면 다음과 같이 전개할 수 있습니다
$$ \Phi_m - \Phi_s + \Psi_s + V_{ox} = 0 $$
이 때 $\Phi_m - \Phi_s$는 계면 상태를 Flat Band로 만들기 위해 Gate에 걸어주어야 하는 전압을 의미했었죠? 따라서 다음 식이 성립합니다.
$$ V_{FB} = \Phi_m - \Phi_s $$
위의 두식을 연립하여 정리하면 다음과 같은 식을 유도해 낼 수 있습니다.
$$ V_{FB} + \Psi_s + V_{ox} = 0 $$
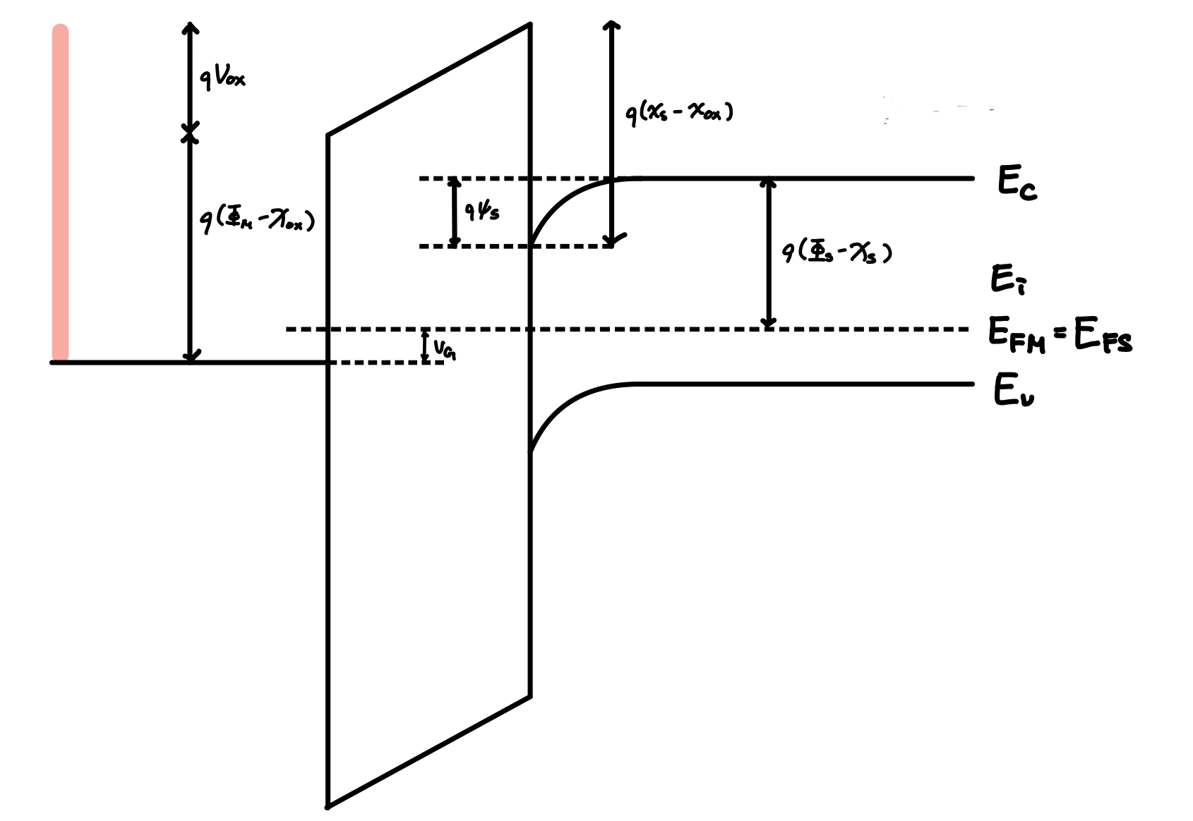
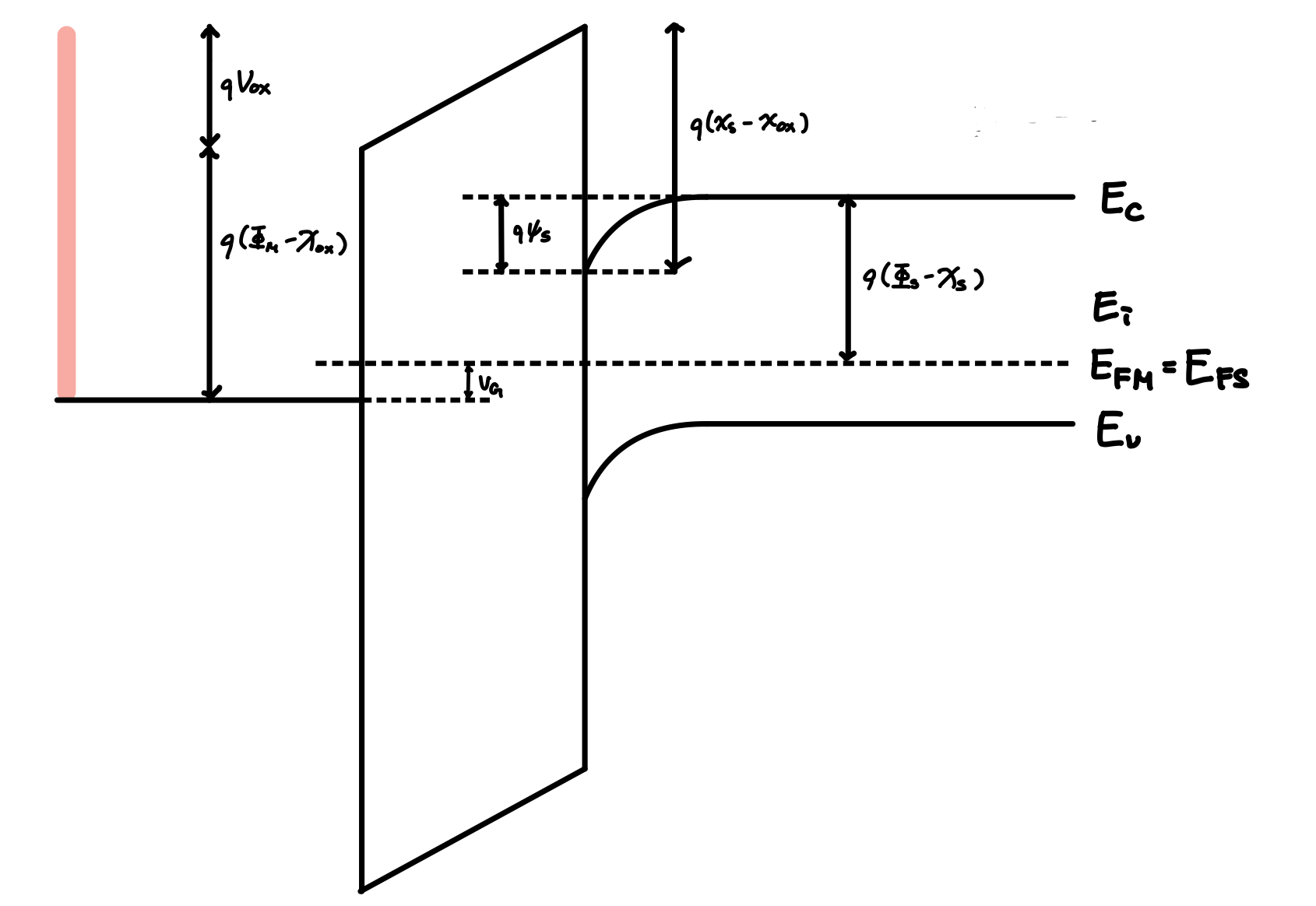
이제 Gate에 전압을 인가해봅시다. 하나의 예시로 양의 전압을 인가했을 때 MOS구조의 에너지 밴드 다이어그램을 그려보면 다음과 같습니다.

전압을 인가하게 되면 Metal의 Fermi Level이 내려가게 되고 Metal과 Si의 Fermi Level 차이가 걸어준 전압 $V_G$가 됩니다. 이제 이것을 이용해서 아까와 같이 빨간 막대의 길이를 이용해 수식을 유도해봅시다.
$$ qV_{ox} + q(\Phi_m - \chi_{ox}) = q(\chi_s - \chi_{ox}) - q\Psi_s + q(\Phi_s - \chi_s) + V_G$$
이 식을 다음과 같이 정리할 수 있습니다.
$$ V_G = V_{FB} + \Psi_s + V_{ox} $$
이 식이 물리적으로 의미하는 것은 우리가 Gate에 전압을 인가하게 되면 전압의 일부는 Flat Band를 만드는데 쓰이고 또다른 일부는 oxide에 걸리며 나머지는 Si의 계면을 굽게하는데 사용된다는 것입니다.
우리는 이것으로 Gate에 인가하는 전압이 어떻게 사용되는지 알 수 있게 되었습니다. 또한 이 식을 통해서 처음 Thermal Equilibrium 상태는 $V_G = 0$ 일 때를 의미한다는 것을 알 수 있습니다.
MOS 라는 구조는 가운데는 $SiO_2$라는 절연체가 있고, 그 윗부분에는 정공이 Sheet Charge의 형태로 존재하게 됩니다. 이 때 MOS 구조에서 Inversion이 일어나면 $SiO_2$라는 절연체를 기준으로 한쪽에는 정공 한쪽에는 전자가 모이게 됩니다. 이러한 이유로 우리는 MOS 구조를 MOS Capacitor라고 부르기도 합니다.
좀 더 자세히 살펴보면 Semiconductor 쪽에는 Depletion Charge인 B 음이온이 있고 Metal과 Oxide의 계면에는 정공들이 모여 있습니다. 여기서 MOS 구조에 Inversion이 일어나기 전이라면 Depletion Region의 B 음이온의 총량과 Metal과 Oxide에 모인 정공의 양이 같아야 합니다. 이 때 Depletion Region에 존재하는 B 음이온을 Depletion Charge라고 부르며 $Q_d$로 표시합니다. 또한 Metal과 Oxide의 계면에 모인 정공은 $Q_m$으로 표시합니다.
이후 우리가 Gate에 더욱 큰 양전압을 걸어 MOS 구조가 Inversion 상태가 되면 Si와 Oxide의 계면에 전자가 생기게 됩니다. 이것을 Inversion Charge라고 하며 $Q_n$으로 표시합니다. Inversion 상태에서도 가우스 법칙을 만족시켜야 하기 때문에 다음과 같은 수식이 성립하게 됩니다.
$$ Q_s = -Q_m = Q_n + Q_d $$
이 때 Depletion Charge는 다음과 같이 표현할 수 있습니다.
$$ Q_d = qN_AW $$
위의 두 식을 통해 다음과 같은 식을 유도해 낼 수 있습니다.
$$Q_s = -Q_m = qN_AW + Q_n $$
이제 Depletion Region에서 Surface Potential과 Depletion Width 사이의 관계를 구해봅시다. 이것을 구하기 전에 Depletion Approximation이라는 것을 알고 넘어가야 합니다. Depletion Approximation이란건 Depletion Region에 정공이 하나도 없다고 보는 것을 말합니다.
사실 Depletion 상태에서 Depletion Region에는 정공의 농도가 Bulk에서의 정공의 농도보다 작은 것이지 아예 없는 것이 아닙니다. 그런데 계산이나 모델링의 편의를 위해 Depletion 상태일 때 정공이 하나도 없다라고 가정하는 것을 Depleton Approximation이라고 합니다.
Depletion Approximation을 적용하고 나면 Poisson Equation을 이용해 하나의 식을 유도할 수 있습니다. 먼저 Poisson Equation은 다음과 같습니다.
$${\operatorname{d}^2 \over \operatorname{d}\!x^2}\Psi = -{\rho \over \epsilon_s} = -{q \over \epsilon_s}( -N_A + p -n)$$
이 때 Depletion Approximation에 의해 Depletion Region에는 정공이 하나도 없기 때문에 위의 식에는 $-N_A$만 남게 됩니다. 따라서 다음과 같은 식이 성립하게 됩니다.
$${\operatorname{d}^2 \over \operatorname{d}\!x^2}\Psi \simeq {q \over \epsilon_s}N_A$$
$$(0 \leq x \leq W)$$
위의 식을 양변을 임의의 x에서부터 W까지 적분을 해봅시다. x =W에서 전기장의 세기는 0이기 때문에 다음과 같이 됩니다.
$$ {\operatorname{d} \over \operatorname{d}\!x} \Psi = {{qN_A} \over \epsilon_s}(x-W)$$
한번 더 적분을 하면 다음과 같습니다.
$$ \Psi = {{qN_A}\over{2\epsilon_s}}{(x-w)}^2 +c $$
x=0 일 때의 값들을 위의 식에 대입해봅시다.
$$ \Psi_s = {{qN_A} \over {2\epsilon_s}}W^2 +c $$
이 식으로부터 c의 값을 얻을 수 있습니다.
$$ c = \Psi_s - {{qN_A} \over {2\epsilon_s}}W^2 $$
이것을 원래의 식에 대입하게 되면 다음과 같은 식이 성립합니다.
$$ \Psi = {{qN_A} \over {2\epsilon_S}}{(x-W)}^2 - {{qN_A} \over {2\epsilon_s}}W^2 + \Psi_s$$
이제 x=W에서 경계조건을 보면 x=W에서 $\Psi$는 0이 됩니다. 따라서 이것을 위의 식에 대입하게 되면 다음과 같습니다.
$$ 0 = \Psi_s - {{qN_A} \over {2\epsilon}}W^2 $$
이식을 W에 대해 정리하게 되면 W값을 구할 수 있습니다.
$$ W = \sqrt{{2\epsilon_s\Psi_s} \over {qN_A}}$$
W를 구했으니 총 Depletion charge인 $Q_d$를 구할 수 있게 됩니다.
$$ Q_d = qN_AW = \sqrt{2\epsilon qN_A\Psi_s} $$
Threshold 순간의 Depletion Charge는 얼마일까요? $\Psi_s$에 $2\left\vert \Phi_B \right\vert$를 넣으면 되죠 따라서 $Q_d$는 다음과 같이 쓸 수 있습니다.
$$Q_d = \sqrt{2{\epsilon}qN_A(2\left\vert \Phi_B \right\vert)}$$
Ideal MOS Capacitor
이제 Threshold Voltage를 구해봅시다. Threshold Voltage란 $n_s$를 $P_0$로 만들기 위해 Gate에 인가해야할 전압 혹은 $\Psi_s$가 $2\left\vert \Phi_B \right\vert$가 될 때의 Gate 전압을 의미합니다.
Threshold Voltage를 구하기 위해 우리가 앞에서 유도한 식을 이용하겠습니다..
$$ V_G = V_{FB} + V_{ox} + \Psi_s$$
여기서 $V_{FB}$를 좌변으로 이항해봅시다.
$$V_G - V_{FB} = V_{ox} + \Psi_s$$
여기서 Threshold에서의 Gate 전압을 $V_T$라고 하고 이것을 위 식에 대입하면 다음과 같습니다.
$$V_T - V_{FB} = V_{ox}|_{Thresh} + \Psi|_{Thresh}$$
지난 포스팅에서 Threshold 일때 $\Psi_s$가 $2\left\vert \Phi_B \right\vert$임을 증명했습니다. 또한 Oxide의 양단에 걸리는 전압은 Oxide에 저장 되어있는 전하를 Capacitance로 나누면 되죠. 따라서 다음 식이 성립합니다.
$$V_{ox} = {Q_m \over C_{ox}} = {{Q_n + Q_d} \over C_{ox}}$$
$$\Psi|_{Thresh} = 2\left\vert \Phi_B \right\vert$$
이 때 Threshold에서는 Inversion Charge가 아직 만들어지지 않은 것이기 때문에 $Q_n$은 0이 됩니다.
$${V_{ox}|_{Thresh}} = {{Q_d} \over {C_{ox}}} = {{\sqrt{2\epsilon_s{qN_A}(2|\Phi_B|)}} \over {C_{ox}}}$$
따라서 $V_T$는 다음과 같이 계산됩니다.
$$ V_T = {V_{FB}} + {{\sqrt{2\epsilon_s{qN_A}(2|\Phi_B)}} \over {C_{ox}}} + {2|\Phi_B|}$$
여기서 $C_{ox}$는 oxide의 capacitance니까 oxide의 유전율을 oxide의 두께로 나누어준 것이 되며 단위는 $[F/cm^2]$입니다.
$$ C_{ox} = {{\epsilon_{ox}} \over {t_{ox}}} $$
여기서 식을 간단하게 하기 위해 새로운 문자를 정의하겠습니다.
$$\gamma = {\sqrt{2\epsilon_s qN_A} \over C_{ox}} $$
$\gamma$를 식에 대입하게 되면 다음과 같은 식으로 표현됩니다.
$$ V_T = {V_{FB} + {\gamma{\sqrt{2|\Phi_B|}}}+2{|\Phi_B|}} $$
$$ V_{FB} = \Phi_m - \Phi_s$$
$$ \Phi_B = {{kT} \over q}ln{N_A \over n_i} $$
이와같이 nMOS의 Threshold voltage를 나타내는 표현식을 유도했습니다. 이 식을 통해 Flat Band Voltage 더하기 Depletion charge Threshold 상태의 Depeltion charge 더하기 밴드의 굽어진 정도 세 가지 항의 합으로 표현된다는 것을 알 수 있습니다.
하지만 이 식은 제조공정에서 발생하는 불순물을 고려하지 않은 Threshold Voltage입니다. 따라서 실제로 제작되는 MOS Capacitor의 Threshold Voltage를 보다 정확하게 구하고 싶으면 여러가지 불순물들을 추가적으로 고려해 주어야 합니다.
Non-ideal MOS Capacitor
실제로 MOS 구조를 만들어보게 되면 Si 위에 $SiO_2$가 올라가는 과정과 $SiO_2$ 위에 Metal이 올라가는 과정에서 각종 불순물들이 들어갈 수 밖에 없습니다. 제조 과정에서 불순물이 섞여 들어가게 되면 실제 MOS의 Threshold Voltage는 우리가 지금까지 계산한 이론적인 Threshold Voltage와 달라지게 됩니다.
이 때 제조과정에서 섞여들어가 Threshold Voltage에 영향을 주는 불순물을 다음과 같이 크게 4가지로 구분할 수 있습니다.
1. Interface Trap Charge $Q_It$ : 제조과정에서 Silicon과 Oxide의 계면에 들어간 불순물
2. Fixed Charge $Q_f$ : $SIO_2$산화막을 만드는 과정에서 SiO가 만들어지는 과정에서 생기는 전하를 띤 불순물
3. Mobile Ionic Charge $Q_m$ : $Na^+$, $K^+$ 등 Oxide 내부를 떠다닐 수 있는 불순물
4. Oxide Trapped Charge $Q_ot$ : Oxide 내에서 움직이지 않는 전하를 띤 불순물
이렇게 4가지로 구분한 불순물들은 다 전하를 띠고 있기 때문에 Threshold Voltage를 변화시키는 요인이 됩니다.
그러면 이제 우리가 이 불순물들을 Threshold Voltage에 대한 수식에 어떻게 포함시킬 것인지에 대해 생각해볼 차레입니다. 일반적으로 이런 불순물들의 영향을 식에 어떻게 포함할지는 정형화되어 있지 않습니다.
제조공정에서 포함될 수 밖에 없는 불순물이기 때문에 Flat Band Voltage에 포함시키자는 의견도 있고, 따로 항을 만들어서 계산하자는 의견도 있습니다. 우리는 이런 불순물의 영향을 Flat Band Voltage에 포함시켜 생각하도록 하겠습니다.
즉, 실질적으로 불순물에 의해 Threshold Voltage 값은 변하겠지만 Threshold Voltage를 구하는 수식은 변하지 않기 때문에 다음과 같은 수식이 Threshold Voltage를 표현하는 최종 수식이 됩니다.
$$ V_T = {V_{FB} + {\gamma{\sqrt{2|\Phi_B|}}}+2{|\Phi_B|}} $$
다음 포스팅에서는 Threshold Voltage를 원하는 대로 조절할 수 있는 방법에 대해서 알아보도록 하겠습니다.
| [반도체소자] MOS Surface Potential (0) | 2021.03.07 |
|---|---|
| [반도체 소자] MOS 구조의 Electric Field (0) | 2021.03.06 |
| [반도체소자] MOS 계면 상태 (1) | 2021.03.04 |
| [반도체 소자] MOS 구조의 에너지 밴드 다이어그램 (1) | 2021.03.03 |
| [반도체소자] MOSCAP, MOSFET 개요 (0) | 2021.02.27 |